P6087
內容提示:即熱式熱水器水泵

一、產品應用:
1.零冷水熱水器
2.恒溫燃氣熱水器增壓
3.其它需要承壓及耐高溫環(huán)境的增壓
3.其它需要承壓及耐高溫環(huán)境的增壓
二、產品特征:
1.重 量:0.50kg
2.絕緣等級:F級
3.防護等級:IP68
3.防護等級:IP68
4.使用壽命:20000小時
三、使用條件:
1.環(huán)境溫度: -25-70℃
2.介質溫度:0-100℃
3.介 質:清水
4.使用場所:室內
四、產品特點:
1. 采用無刷電機,體積小
2.高揚程,壽命長
3.裝機噪音:≤40dB
4.脈沖承壓12Kg,10萬次
5.爆破壓力:3.5Mpa
四、產品特點:
1. 采用無刷電機,體積小
2.高揚程,壽命長
3.裝機噪音:≤40dB
4.脈沖承壓12Kg,10萬次
5.爆破壓力:3.5Mpa
五、注意事項:
1.嚴禁無水工作
2.嚴禁正負極反接
3.嚴禁介質溫度超過70℃
4.嚴禁循環(huán)帶有雜質和導磁性顆粒的液體
(顆粒小于0.3mm)
5.嚴禁在強酸與強堿的溶液里使用
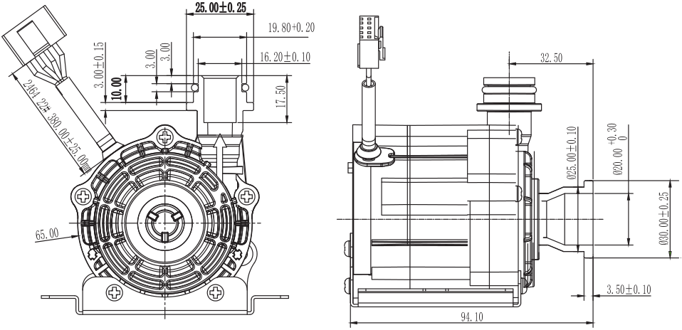
六、尺寸圖


七、性能參數表:
| 額定電壓 | 使用電壓范圍 | 額定電流 | 最大揚程 | 最大流量 | 額定功率 | 最大噪音 |
| V | V | A | m | L/min | W | dB(A) |
| 24 | 8-20 | 2.2 | 11 | 20 | 53 | ≤40 |
| 36 | 24-50 | 1.5 | 10 | 22 | 54 | ≤40 |
時間:2024-04-25 來源:深鵬電子 點擊:次
上一篇:沒有了
下一篇:P6077
下一篇:P6077
